Mahsulot taqdimoti:
Yuqori oqimli velosiped svetofori uch birlikdan iborat. Chiroq yadrosi katta o'lchamli yorug'lik manbalaridan, uch qatlamli optik linzalar tizimidan, quvvat modullaridan, chiroq idishidan va tashqi issiqlik tarqalish qismlaridan iborat. Optik mexanizm yorug'lik samaradorligini oshirish, yorug'lik manbasidan chiqadigan nuqta nurini tarqatish va qayta yo'naltirish va shu bilan bir xil sirt yorug'lik chiqishini yaratish uchun uch qatlamli optik ishlov berish orqali ishlaydi. Velosiped yo'laklari uchun mo'ljallangan svetofor bilan boshqariladigan chorrahalarga nisbatan qo'llaniladi.
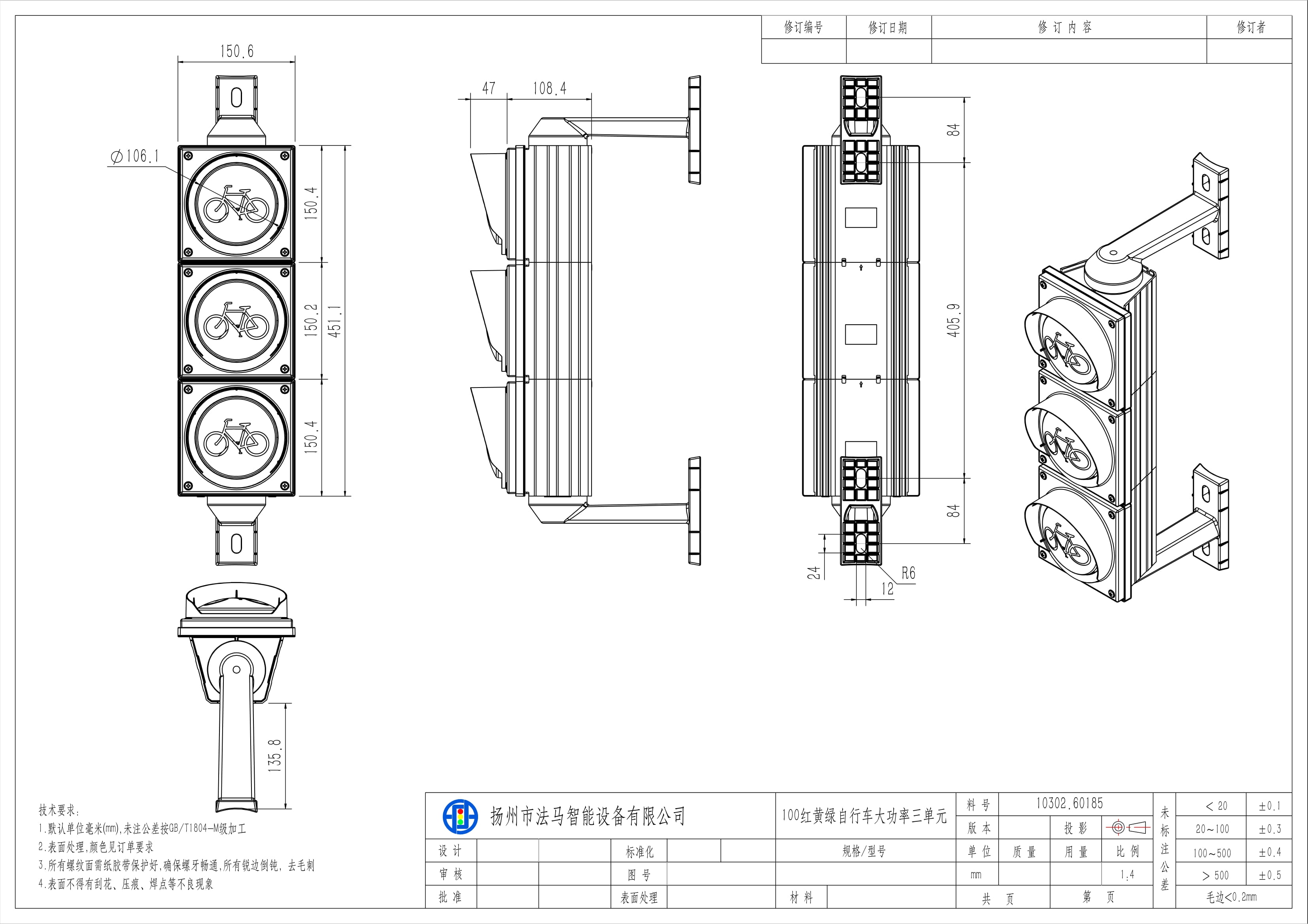
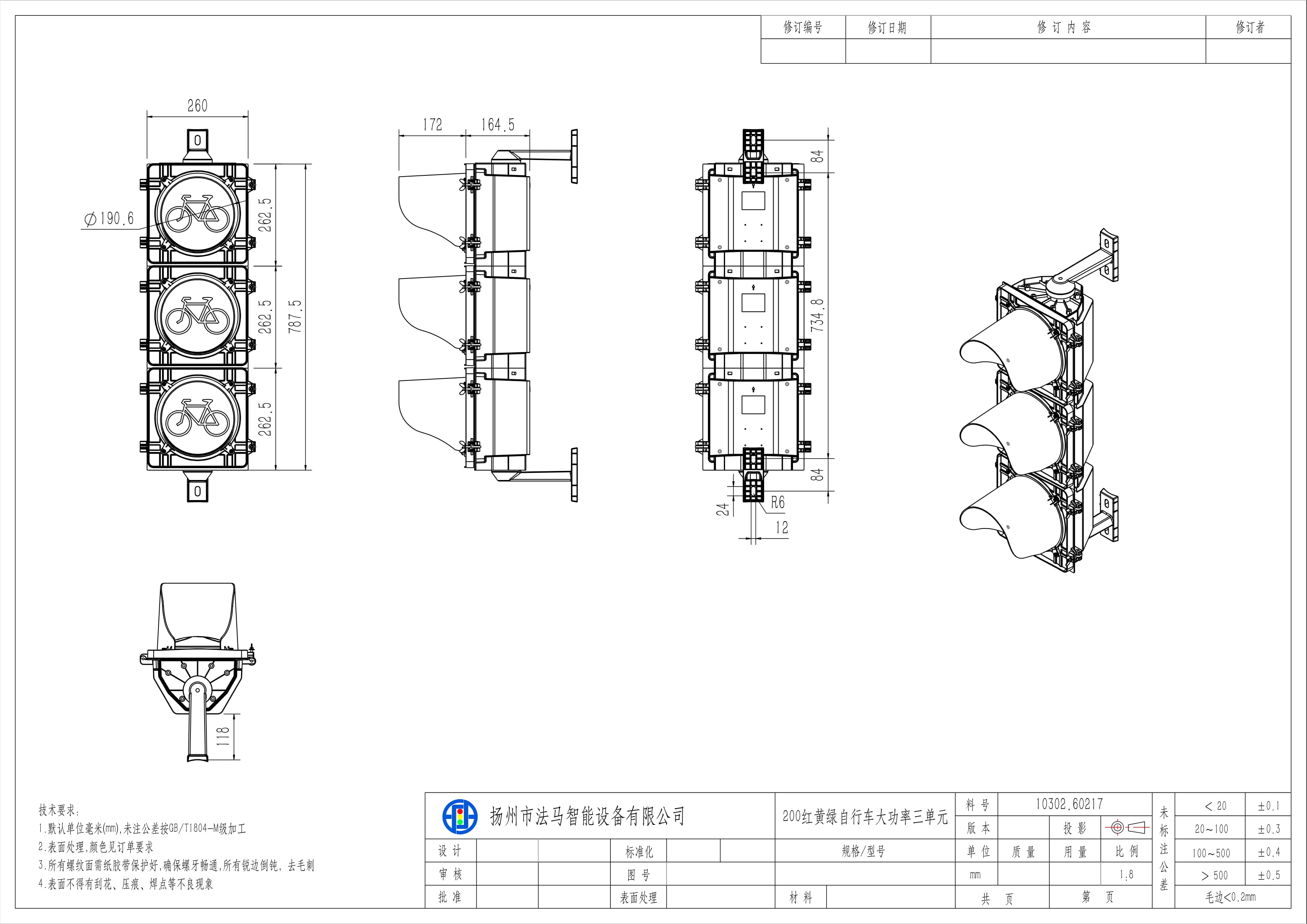
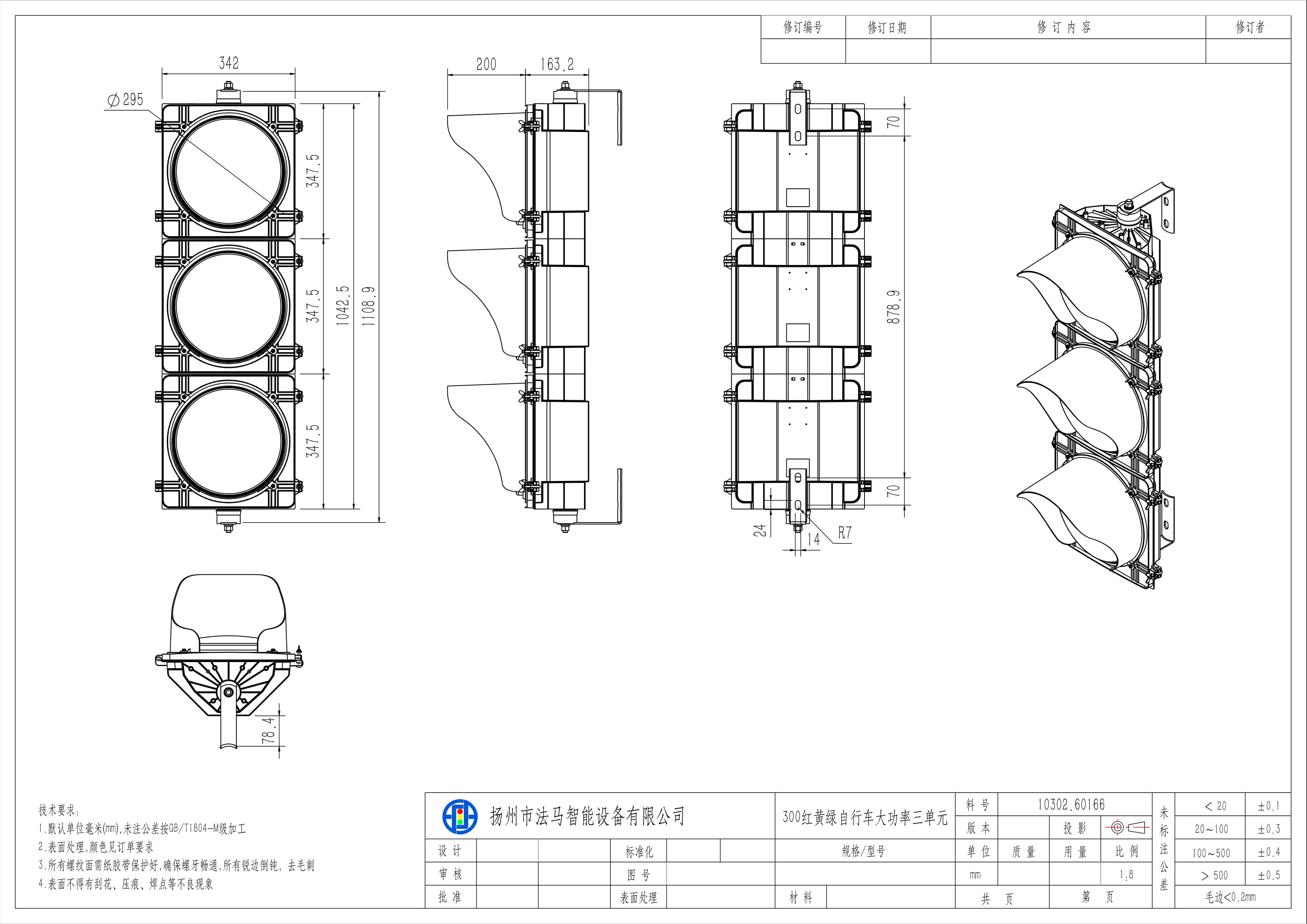
| Mahsulot modeli | FJ100-3-FM35 | FJ200-3-FM35 | FJ300-3-FM35 |
| Yorug'lik chiqaradigan sirt (LES) hajmi | 100 | 200 | 300 |
| Uy-joy materiali | Alyuminiy korpus/ Polikarbonat korpusi | Polikarbonat korpusi | Polikarbonat korpusi |
| Niqob rangi | Shaffof | Rangli | Rangli |
| Visorlar | ph129,5x47 mm | ph208x175mm | ph293x200mm |
| LES shakli | Dumaloq | Dumaloq | Dumaloq |
| Ishlash kuchlanishi/chastota | AC: 85~264V/47-63Hz | AC: 85~264V/47-63Hz | AC: 85~264V/47-63Hz |
| LED miqdori | R/Y/G: 1 dona | R/Y/G: 2 dona | R/Y/G: 4 dona |
| LED to'lqin uzunligi | Qizil: 625 ± 5 nm Sariq: 590 ± 5 nm Yashil: 505 ± 5 nm | Qizil: 625 ± 5 nm Sariq: 590 ± 5 nm Yashil: 505 ± 5 nm | Qizil: 625 ± 5 nm Sariq: 590 ± 5 nm Yashil: 505 ± 5 nm |
| LEDning ishlash muddati | ≥100 000 soat | ≥100 000 soat | ≥100 000 soat |
| Ishlash harorati | -40 ℃ dan +80 ℃ gacha | -40 ℃ dan +80 ℃ gacha | -40 ℃ dan +80 ℃ gacha |
| Nisbiy namlik | ≤97% RH | ≤97% RH | ≤97% RH |
| Chiroq quvvat sarfi | Qizil velosiped ≤ 3,2 Vt Sariq velosiped ≤ 3,2 Vt Yashil velosiped ≤ 3,2 Vt | Qizil velosiped ≤ 6,3 Vt Sariq velosiped ≤ 6,3 Vt Yashil velosiped ≤ 5,5 Vt | Qizil velosiped ≤ 10 Vt Sariq velosiped ≤ 13 Vt Yashil velosiped ≤ 13 Vt |
| Himoya darajasi | IP65 | IP65 | IP65 |
| Vizual masofa | ≥300m | ≥300m | ≥300m |
| Qadoqlash spetsifikatsiyalari | Bir qutiga 1 dona, Hajmi: 65 × 22 × 26 sm, Og'irligi: 3,1 ± 0,5 kg | Bir qutiga 1 dona, Hajmi: 96,5 × 35,5 × 27 sm, Og'irligi: 5,75 ± 0,5 KG | Bir qutiga 1 dona, Hajmi: 120 × 40,8 × 28,8 sm, Og'irligi: 12,5 ± 0,5 KG |


